地址:湖北省公安縣青吉工業園
公司電話:0716-5225925
售后服務:0716-5234241
營銷專線:0716-5226671
公司傳真:0716-5228925-2
郵編:434300
郵箱地址: yxgs@hbaxle.com 或 marketing@hbaxle.com
公司官網:http://m.xntdgc.cn
地址:湖北省公安縣青吉工業園
公司電話:0716-5225925
售后服務:0716-5234241
營銷專線:0716-5226671
公司傳真:0716-5228925-2
郵編:434300
郵箱地址: yxgs@hbaxle.com 或 marketing@hbaxle.com
公司官網:http://m.xntdgc.cn
當前位置:
首頁 ? 新聞動態 ? 2401T152系列主減速器總成產品簡介發布時間:2016-01-08
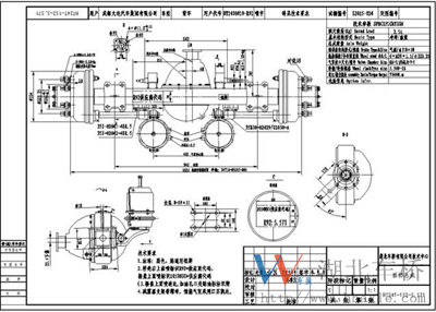
一、2401T152-010-5.571主減速器總成結構和特點簡介
2401T152-010-5.571主減速器總成噪音低,傳遞扭矩大。其設計突緣端面至橋殼中心線距離為306mm(見如下安裝尺寸圖)。主從動錐齒輪噪音低、壽命長等特點,其傳遞扭矩7000N.M,裝配成總成后噪音在82dB以下(主齒轉速2200r/min),壽命可達70萬次以上,深受用戶的好評。
2401T152-010-5.571主減速器總成安裝簡圖

二、2401T152-010-5.571主減速器的調整
驅動橋主傳動為準雙曲面齒輪傳動。差速器為兩個半軸齒輪和四個行星齒輪以及差速器殼等件構成。半軸齒輪與半軸之間采用花鍵連接。準雙曲面齒輪具有強度高、噪聲小的特點,但對裝配及潤滑要求較高,裝配或潤滑不當均會引起早期磨損。后橋主從動錐齒輪在出廠前已經過選配并調整好接觸印痕,因此在一般情況下,不必拆卸和調整,只有當齒輪嚴重磨損后或零件損壞必須更換時才可拆卸和調整。調整時應注意以下事項:
(1) 主動錐齒輪軸承預緊度是由增減主動齒輪軸承調整墊圈的厚度來調整的,調整時,以手能撥動主動齒輪突緣為宜。當調整完后,應將主動齒輪突緣螺母以200-250N.M擰緊,以防松動。
(2) 主、從動錐齒輪的齒側間隙(在從動錐齒輪大端測量3處)應調整到0.20-0.35mm范圍內,但其齒側間隙變動量不大于0.10mm ,調整差速器軸承兩端的調整螺母,直至調到規定的齒側間隙。測量齒側間隙及齒輪端面跳動時,應鎖緊軸承蓋螺栓。
(3) 調好齒側間隙后,使調整螺母一個缺口對中,鎖緊差速器軸承蓋螺栓,裝好止動鎖片,擰緊螺栓,以防松動。
(4) 主動錐齒輪與從動錐齒輪的接觸印痕應大于齒面的50%,如接觸印痕不足時,應通過增減主動錐齒輪調整墊片來滿足要求,并使接觸區位于齒寬的中部稍偏向小端。
(5) 新車行駛1500Km后,應檢查后橋主傳動的綜合間隙,如有異常,應予以拆檢。
三、2401T152-010-5.571主減速器總成雙曲面齒輪的潤滑要求
⑴ 必須加注汽車雙曲線齒輪油(牌號為GL-4;GL-5)。若用一般汽車齒輪油來代替,將導致準雙曲面齒輪的加速磨損。
⑵ 應保持油面在油面螺塞孔口的邊緣。
⑶ 新車行駛1500-3000Km后必須更換潤滑油,以后每年冬天、夏季各更換一次。
⑷ 發現油封漏油時,應首先檢查油封,若油封良好,則需檢查通氣塞是否堵塞。
⑸ 后輪轂軸承預緊力的調整
如輪轂軸承過緊,則行車時軸承會發生過熱,使潤滑脂外流而導致軸承損壞,如過松則會發生竄動,也會導致軸承損壞。因此在校準輪轂軸承預緊力時需特別注意,后輪轂軸承預緊力校準步驟:先裝上輪轂軸承內螺母并擰緊,在擰緊過程中同時轉動制動鼓,使軸承正確就位,再將輪轂軸承螺母以150-180N.M力矩擰緊。然后將輪轂軸承螺母退出1/4-1/3圈,用手轉動車輪,此時車輪應能自由轉動而無顯著的軸向松動和竄動。再裝上鎖緊墊圈及外螺母等。行駛10Km左右(最好不使用制動),用手摸輪轂溫度,如有發熱現象,則表明軸承過緊,應將輪轂軸承螺母擰松點。只有在裝上未經走合的新軸承或新油封后,才允許有稍微的發熱現象。每行駛12000Km后,應更換一次輪轂軸承潤滑脂。